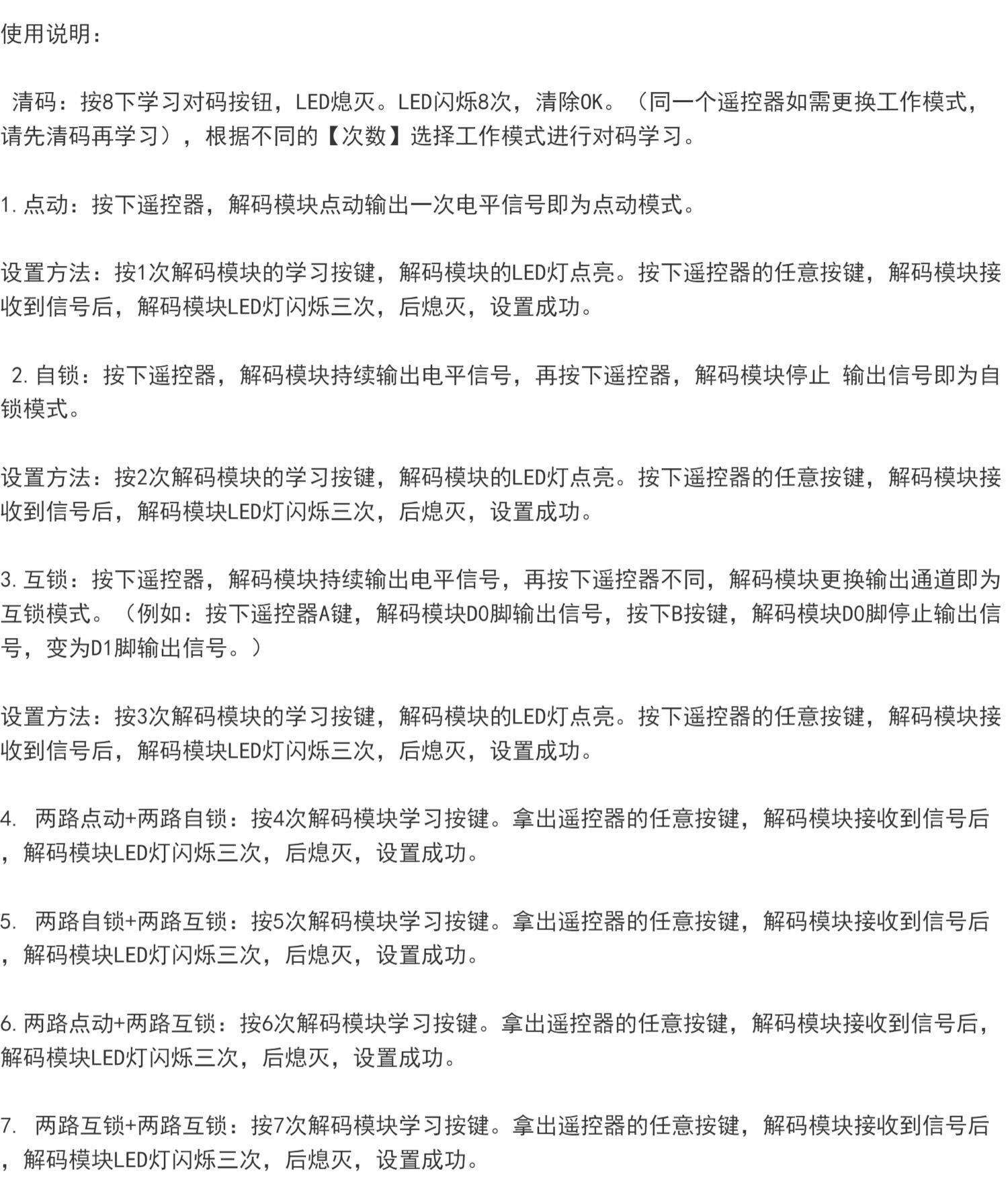
淘宝超外差无线迷你接收发射模块4路高电平输出1527遥控开关电路板433

25 次

RM -

CNY -

颜色分类

请选择

备注

100 / 100
产品参数

品牌: QIACHIP/七艾
型号: KT16-1527-4+RX480E-4WQDTX
产地: 中国大陆
省份: 广东省
地市: 深圳市
智能类型: 其他
是否智能操控: 否
套餐类型: 官方标配
颜色分类: 遥控器+接收模块,遥控器+直角插针模块,遥控器2个+接收模块,一个金属遥控器,经典接收模块一个,不带插针接收模块一个,直角插针模块一个,黑色遥控器一个
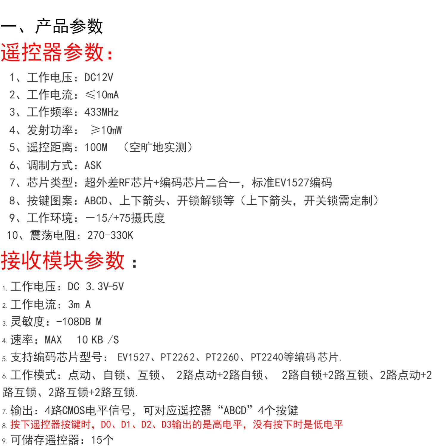
接收电压:: 2.5~5V
工作频率:: 433mhz/1527学习型
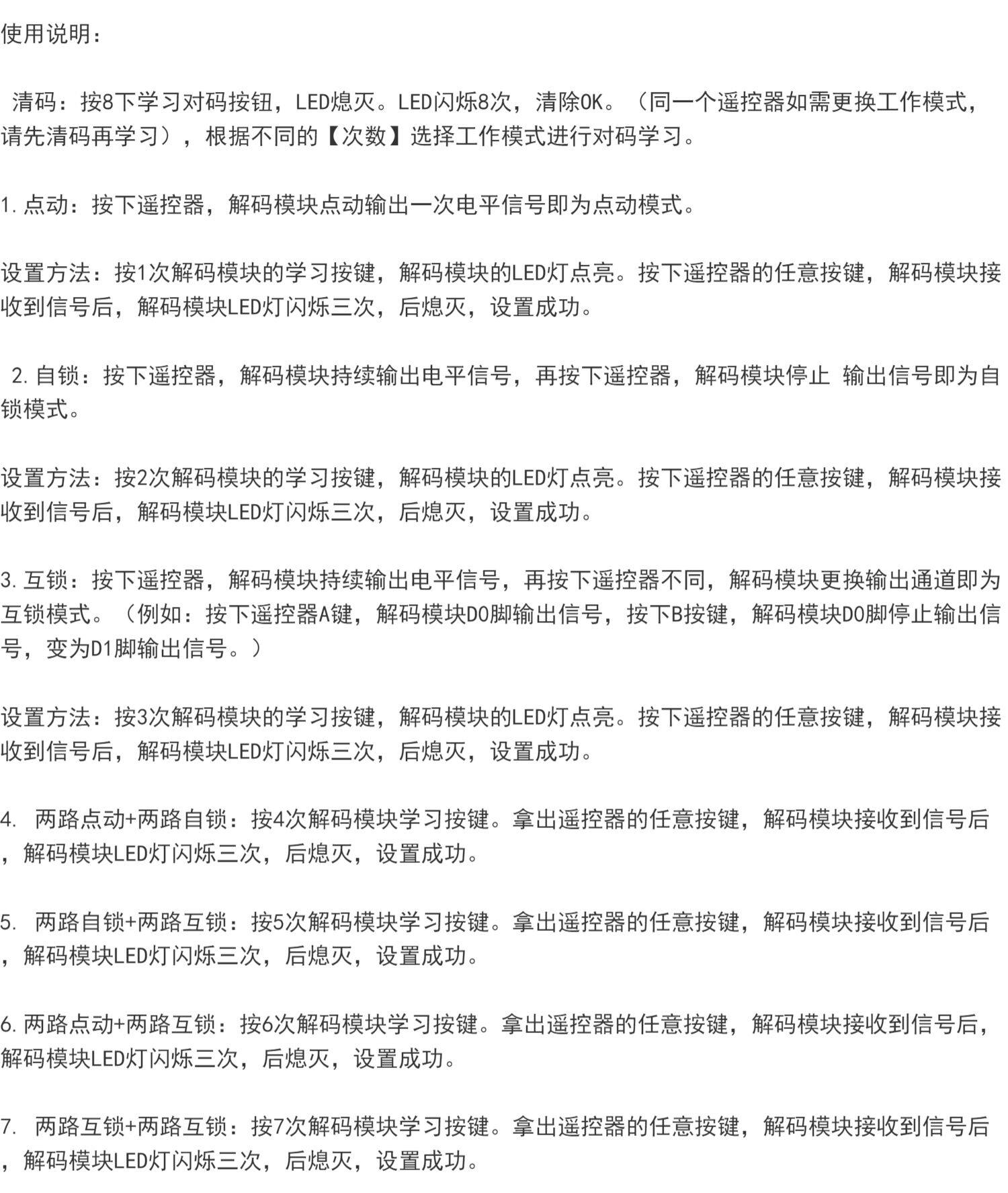
可设置模式:: 点动 自锁 互锁等等
静态电流:: 5mA
接收灵敏度:: -108dB